低释气隔离器,LO系列
凭借在半导体制造光学解决方案领域的丰富经验与创新成果,我们成功研发出首款低释气法拉第隔离器。该系列隔离器专为紫光至近红外波段的封装式大功率激光系统集成而设计。其独特结构使挥发性有机化合物(VOC)排放量较传统隔离器降低25倍。该系列隔离器采用光学接触式熔融石英输入/输出偏振器,确保了高损伤阈值,同时实现了高达33 dB的隔离度,以及在近红外波段95%和紫光波段86%的出色透射率。
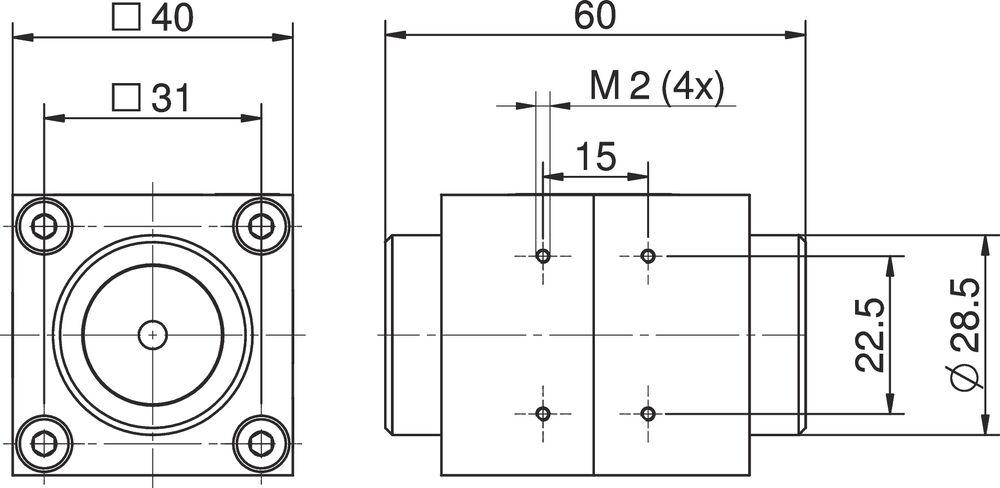
低释气法拉第隔离器具有3.3 mm的净孔径和专利磁体系统,从而实现了极其紧凑的外形设计。
| 产品 | FI-405-3SC LO | FI-1030-3SC LO | FI-1060-3SC LO |
| 孔径 | 3.3 mm | 3.3 mm | 3.3 mm |
| 设计波长 | 405.0 nm | 1030.0 nm | 1060.0 nm |
| 隔离度 (dB) | > 33 | > 33 | > 33 |
| 设计波长下的透射率 | ≥ 86.0 % | ≥ 95.0 % | ≥ 95.0 % |
| 边界波长处的透射率 | ≥ 86.0 % | ≥ 90.0 % | ≥ 90.0 % |
| 波长范围 | 400.0 - 410.0 nm | 1025.0 - 1064.0 nm | 1030.0 - 1090.0 nm |
| 损伤阈值 @ 1.2皮秒脉冲 (J/cm²) | 0.2 @ 405.0 nm | 0.6 @ 1030.0 nm | 0.6 @ 1060.0 nm |
| 损伤阈值 @ 8.0纳秒脉冲 (J/cm²) | 2.6 @ 488.0 nm | 8.2 @ 1030.0 nm | 8.5 @ 1060.0 nm |
| 零件号 | 845110900026 | 845110100230 | 845110100231 |
| 产品 | FI-405-3SC LO | FI-1030-3SC LO | FI-1060-3SC LO |
| 孔径 | 3.3 mm | 3.3 mm | 3.3 mm |
| 设计波长 | 405.0 nm | 1030.0 nm | 1060.0 nm |
| 隔离度 (dB) | > 33 | > 33 | > 33 |
| 设计波长下的透射率 | ≥ 86.0 % | ≥ 95.0 % | ≥ 95.0 % |
| 边界波长处的透射率 | ≥ 86.0 % | ≥ 90.0 % | ≥ 90.0 % |
| 波长范围 | 400.0 - 410.0 nm | 1025.0 - 1064.0 nm | 1030.0 - 1090.0 nm |
| 损伤阈值 @ 1.2皮秒脉冲 (J/cm²) | 0.2 @ 405.0 nm | 0.6 @ 1030.0 nm | 0.6 @ 1060.0 nm |
| 损伤阈值 @ 8.0纳秒脉冲 (J/cm²) | 2.6 @ 488.0 nm | 8.2 @ 1030.0 nm | 8.5 @ 1060.0 nm |
| 零件号 | 845110900026 | 845110100230 | 845110100231 |
