埃赛力达PYQ 2498双输出四元热释电探测器
零件/ PYQ 2498

PYQ 2498双输出四元Pyro

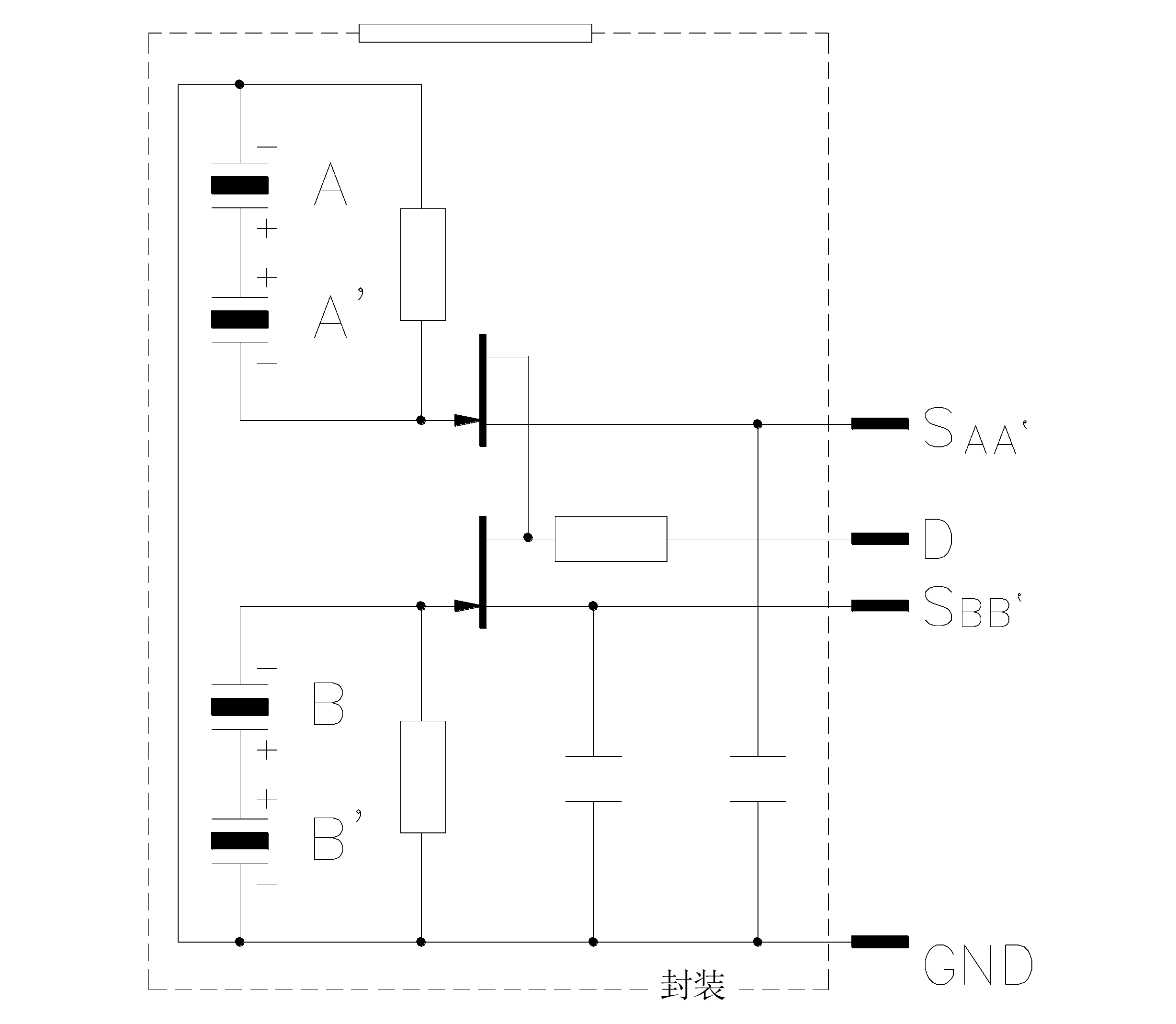
埃赛力达PYQ 2498热释电探测器提供以几何正方形布局的两对,共计四个感测元件。每对两个元件均采用串联方式进行电气连接。每对元件代表一个独立的模拟输出信号。TO-5封装配有矩形光学窗口。

该“四元”热释电探测器系列有四个元件,它们分成两对,每对两个。每对元件均与源输出电路中的FET进行电气连接,从而形成模拟输出信号。由此提供两个单独的输出信号。在几何布局上,这两对元件之间的间距很小。为实现更好的EMI防护,探测器还配有内部RC电路,TO-5封装配有矩形光学窗口。

特点

  • TO-5金属封装以实现EMI屏蔽
  • 高响应度陶瓷热释电元件
  • 采用1.0×1.4mm2​​​​​​​元件的四元探测器
  • 110°视场
  • 源输出电路配置中的集成式FET
  • 集成的EMI滤波级

应用

  • 中长距离运动检测(使用镜头)
  • 节能应用(光管理/智能家居)
  • 入侵警报
  • 墙壁安装应用
  • 经过改善的宠物免疫解决方案(使用合适镜头)

ProductPhoto_IR_-PYQ-2498-schematic_0
响应度 4.5 kV/W(典型)
噪声 30 µVpp(典型)/ 75 µVpp(最大)

工作要求

2 -12 V

带光学窗口的封装 TO-5
视场(水平/垂直) 110°/87°
响应度 4.5 kV/W(典型)
噪声 30 µVpp(典型)/ 75 µVpp(最大)

工作要求

2 -12 V

带光学窗口的封装 TO-5
视场(水平/垂直) 110°/87°
关闭